Тип / Ед.измерения - 0,25 / 1500
Напряжение / Частота - 50 Гц / 380 В
Фазность ~ 3
Потребляемая мощность - 0,25 кВт
Частота вращения - 1320 мин +1
Ток - 0,8 А
Производительность - 600-1100 м3/час
Полное давление - 280-270 Па
Макс.температура перемещения воздуха - 80 С
Класс защиты двигателя - IР 54
Тип термозащиты - Встр.тд
Вес - 16 кг
Вставки гибкие (200 мм)
Вставки гибкие (140х140 мм)
Виброизоляторы - ДО 38
Выход (левый/правый) - уточняйте у менеджера!
Так же с вентилятором можно установить Регулятор скорости ATV310H037N4E частотный 0.37 кВт 380 В который преобретается отдельно
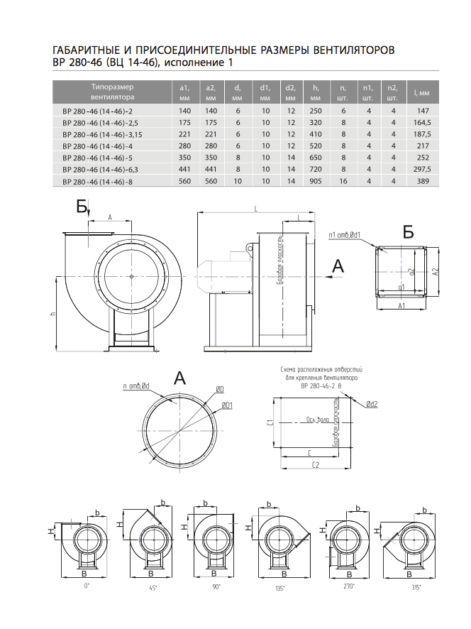
Радиальный вентилятор общего назначения ВЦ 14-46 (ВР-300-45)-2,0
Среднего давления
Встроенные термодатчики
Корпус из оцинкованной стали
Направление вращения - правое и левое
Радиальные вентиляторы общего назначения применяются в стационарных системах вентиляции, кондиционирования, воздушного отопления, технологических установках и т.д.
Они предназначены для перемещения невзрывоопасных газовых сред с температурой не выше 80 С для обычного исполнения (до 200 С для теплостойкого исполнения Ж2), содержащих твердые примеси не более 0,1 г/м3, не содержащих липких веществ и волокнистых материалов.
Гарантийный срок эксплуатации - 18 месяцев










